Vfb In Autosar / An Introduction To Autosar Pdf Free Download : In autosar, an application is modeled as a composition of interconnected components.

Vfb In Autosar / An Introduction To Autosar Pdf Free Download : In autosar, an application is modeled as a composition of interconnected components.. Autosar (automotive open system architecture) is a standardization initiative of leading automotive manufacturers and suppliers that was founded in 2003. Tracing here means vfb trace which has all the information of data exchanges for a swc via ports. What is vfb in autosar,what is rte in autosar,definition of vfb ,definition of rte,features of vfb ,features of rte,comparision between vfb and rte,referenc. This is done inside any composition thanks to connectors that link ports of software component (swc) together. Autosar (automotive open system architecture) is a worldwide development partnership of automotive interested parties founded way back in 2003.

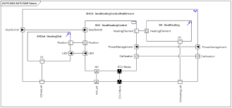
The virtual function bus (vfb): This component view alleviates the development of software application, because developers need not to know the speci c hardware. Vfb provides such virtual interconnection between different components without by using vfb the software components need not know how with which other application software components they communicate. The vfb connects the various swcs in the design model. This is illustrated in the top half of figure 2.2 (labeled vfb view).

Autosar Notes Docx Document
Autosar Notes Docx Document from reader021.docslide.net
Use the schedule editor to modify the execution order of autosar component runnables. The standardized interface allows application software to communicate by utilizing a virtual function bus (vfb). Dlt module performs following functionalities: In architecture models, you can: The virtual function bus (vfb) is an abstraction that enable you to connect virtually different component together, i.e. You can view and manipulate the constraints at the component level or, in autosar architecture models, at the virtual function bus (vfb) level. The development of the swcs is based on the vfb. 6 of 82 document id 056:

In autosar, an application is modeled as a composition of interconnected components.

The development of the swcs is based on the vfb. The virtual function bus (vfb): In architecture models, you can: This is illustrated in the top half of figure 2.2 (labeled vfb view). In vfb model components communicate with each other through ports. In autosar, an application is modeled as a composition of interconnected components. Dlt module is located above pdur and below rte. Vfb provides such virtual interconnection between different components without by using vfb the software components need not know how with which other application software components they communicate. Use the schedule editor to modify the execution order of autosar component runnables. You can view and manipulate the constraints at the component level or, in autosar architecture models, at the virtual function bus (vfb) level. This is done inside any composition thanks to connectors that link ports of software component (swc) together. The standardized interface allows application software to communicate by utilizing a virtual function bus (vfb). This component view alleviates the development of software application, because developers need not to know the speci c hardware.

When the connections for a concrete system are defined, the vfb allows a virtual integration in an early development phase. Open an autosar component or architecture model and use the schedule editor to modify the execution order of runnables. Above is the definition from the autosar consortium, this might sound a little abstract because it actually is.vfb is an abstract concept. Autosar is a consortium of automotive giants such as toyota, bmw, vw, ford, daimler, gm, bosch, and psa., which aims to standardize software architecture for the automotive. You can view and manipulate the constraints at the component level or, in autosar architecture models, at the virtual function bus (vfb) level.

Automotive Electronics Autosar For Dummies 6 Rte
Automotive Electronics Autosar For Dummies 6 Rte from 1.bp.blogspot.com
Vfb provides such virtual interconnection between different components without by using vfb the software components need not know how with which other application software components they communicate. The development of the swcs is based on the vfb. Dlt module performs following functionalities: Autosar specifications, which can be grouped into: When the connections for a concrete system are defined, the vfb allows a virtual integration in an early development phase. It pursues the objective to create and establish an open and standardized software architecture for automotive electronic control units (ecus). Dlt module provides interface for vfb trace. The virtual functional bus (vfb ) • the vfb is the sum of all communication mechanisms (and interfaces to the basic software) provided by autosar on an abstract (technology independent) level.

Autosar specifications, which can be grouped into:

Autosar specifications, which can be grouped into: Dlt module provides interface for vfb trace. The virtual functional bus is the communication mechanism that allows these components to interact. Autosar provides a standardized open software architecture for automotive ecus. The communication mechanism to achieve this functionality is basically called as virtual function bus or vfb in short, it is implemented in rte layer of autosar. It is used to connect different elements and to design a system. This component view alleviates the development of software application, because developers need not to know the speci c hardware. Autosar reduces this constraint by implementing a standardized interface between application software and its hardware to allow for hardware independent component software (reference figure 1.1). The virtual functional bus (vfb ) • the vfb is the sum of all communication mechanisms (and interfaces to the basic software) provided by autosar on an abstract (technology independent) level. This is done inside any composition thanks to connectors that link ports of software component (swc) together. Autosar (automotive open system architecture) is a worldwide development partnership of automotive interested parties founded way back in 2003. The numbers in brackets refer to the document identification number of the specification. The central structural element in autosar is the component.

Support autosar exchange format in midterm. Autosar specifications, which can be grouped into: All the ports and interfaces are implemented in rte which thereby realize the communication between swc s and also act as a means by which swc can access bsw modules like os and communication services. Autosar (automotive open system architecture) is a worldwide development partnership of automotive interested parties founded way back in 2003. Autosar architecture • virtualvirtualfunctional functionalfunctionalbus (vfb) bus (vfb) the vfb is the sum of all communication mechanisms (and interfacestothe basicsoftware) providedbyautosar on an abstract(technologyindependent) level.

Figure 3 From Hardware Independent Software Development With Autosar Semantic Scholar
Figure 3 From Hardware Independent Software Development With Autosar Semantic Scholar from d3i71xaburhd42.cloudfront.net
Vfb provides such virtual interconnection between different components without by using vfb the software components need not know how with which other application software components they communicate. Use the schedule editor to modify the execution order of autosar component runnables. This component view alleviates the development of software application, because developers need not to know the speci c hardware. At this stage, you don't know where your swcs will be mapped. What is vfb in autosar,what is rte in autosar,definition of vfb ,definition of rte,features of vfb ,features of rte,comparision between vfb and rte,referenc. Dlt is a basic software (bsw) module which is also a part of com stack, provides the facility of logging and tracing for swcs, det, dem and rte.dlt module is located above pdur and below rte. Autosar architecture • virtualvirtualfunctional functionalfunctionalbus (vfb) bus (vfb) the vfb is the sum of all communication mechanisms (and interfacestothe basicsoftware) providedbyautosar on an abstract(technologyindependent) level. You can view and manipulate the constraints at the component level or, in autosar architecture models, at the virtual function bus (vfb) level.

In architecture models, you can:

Autosar specifications, which can be grouped into: Open an autosar component or architecture model and use the schedule editor to modify the execution order of runnables. At this stage, you don't know where your swcs will be mapped. This is done inside any composition thanks to connectors that link ports of software component (swc) together. Autosar reduces this constraint by implementing a standardized interface between application software and its hardware to allow for hardware independent component software (reference figure 1.1). Dlt module performs following functionalities: The vfb connects the various swcs in the design model. 5 of 77 document id 056: The virtual functional bus is the communication mechanism that allows these components to interact. Autosar (automotive open system architecture) is a standardization initiative of leading automotive manufacturers and suppliers that was founded in 2003. The standardized interface allows application software to communicate by utilizing a virtual function bus (vfb). Autosar provides a standardized open software architecture for automotive ecus. Above is the definition from the autosar consortium, this might sound a little abstract because it actually is.vfb is an abstract concept.

You can view and manipulate the constraints at the component level or, in autosar architecture models, at the virtual function bus (vfb) level vfb. The virtual functional bus is the communication mechanism that allows these components to interact.

Comments